Selectivity of Protection in Electrical Installations: NH Fuse-Link vs. Miniature Circuit Breaker
The selectivity of protective devices is a crucial consideration when designing low-voltage installations. The goal of selectivity is to minimize the consequences of a fault. Only the faulty part of the installation should be disconnected, while the rest remains operational. Selectivity is achieved if the fault is cleared by the protective device closest to the fault without triggering other protective devices.
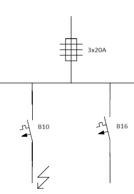
In other words, protection is selective for short circuits or overloads if, in the event of a fault, only the part of the electrical installation where the fault occurred is disconnected—for example, during a short circuit or overload. Electricians often encounter the following problem in practice: In the connection and metering cabinet of a residential building, we have main fuses rated at 20 A. In the residential distribution board, there are Miniature circuit breakers rated at B 10 A and B 16 A (Picture 1). Sometimes, during a short circuit, not only does the circuit breaker trip, but the main fuse also blows, which is inconvenient as the replacement, performed by the power distributor, incurs a cost.
This article will discuss overloads and short circuits in the first part and provide insights on how to ensure proper selectivity of protection using fuses and Miniature circuit breakers in the second part.

picture 1: part of the electrical installation
Overloads and Short Circuits
Overload occurs when a conductor or cable carries a current exceeding its permissible or rated value. Overloads happen when more devices are connected to a circuit than the design intended.
Short circuit occurs when two (or three) points of different potential in a circuit come into contact with negligible impedance, causing a significant increase in current. Three-phase short-circuit currents (contact between phase conductors L1, L2, and L3) are higher than single-phase short-circuit currents (contact between a phase conductor and neutral, L and N).
The magnitude of short-circuit currents in low-voltage networks is significantly influenced by:
- The supply transformer with its inductive and resistive impedance.
- The impedance (resistive and inductive) of cables and conductors leading to the building and its consumers.

picture 2: Short circuit in a low-voltage installation
Selectivity of Protection During Overloads
Protection is selective during overloads if only the faulty part of the installation is disconnected. For overloads, disconnection times are typically longer than 0.1 seconds.
When dealing with overloads, it is crucial to ensure that the tripping (time-current) characteristics (I-t curves) of the sequentially connected fuse and Miniature circuit breaker do not intersect or touch at any point. The protective device closest to the consumer (in this case, the Miniature circuit breaker) should have a lower I-t curve than the upstream fuse. This ensures that the downstream device disconnects faster during an overload.
Picture 3 shows a B10 Miniature circuit breaker and an NV 20 A fuse-link
![]() |
|
Picture 3: B10 Miniature circuit breaker and NH 20 A fuse-link
Picture 4 shows the I-t characteristic of a 20 A NH fuse-link and a B10 Miniature circuit breaker. The I-t characteristics represent the time in which the protective element trips at a certain overload current. Let us assume that we have an overload and the current is 30 A. The Miniature circuit breaker trips somewhere between 6 and 27 s, and the fuse at 2185 s or 36 minutes. Selectivity during overload is ensured.

Picture 4: I-t characteristic of a 20 A NH fuse-link and a B10 Miniature circuit breaker.
Selectivity of Protection During Short Circuits
For short-circuit currents, where melting times are measured in milliseconds, the decisive factor is the energy passing through the fuse element, defined by the Joule integral. The Joule integral represents the value of the current squared over a specific time interval (I²t) and is a measure of the energy flowing through the fuse element or protective device.
At very high short-circuit currents, the fuse element interrupts the current during the first half-cycle, that is, while the short-circuit current is still rising. This involves two time periods: the pre-arcing (melting) time and the operating (total) time, which is required to interrupt the current. The operating or total time consists of the pre-arcing (melting) time and the arcing time, typically amounting to less than 5 milliseconds (Picture 5).
This applies specifically to very high short-circuit currents. For lower short-circuit currents, this time can be longer.

Picture 5: Fuse Disconnection Time at High Short-Circuit Currents
From the perspective of selectivity between a fuse and a Miniature circuit breaker, the pre-arcing (melting) time of the fuse, along with its pre-arcing Ik²t (Joule integral), is the most important factor for short-circuit currents. For Miniature circuit breakers, the key factor is the maximum tripping Ik²t. Selectivity during a short circuit, when a fuse is installed upstream of a Miniature circuit breaker, is achieved if the fuse’s minimum pre-arcing Ik²t value is greater than the Miniature circuit breaker’s maximum tripping Ik²t value.
Manufacturers of fuses and Miniature circuit breakers typically provide these Ik²t values. However, since calculating them can be complex and time-consuming, manufacturers (such as ETI) also offer selectivity tables. These tables detail the selectivity of Miniature circuit breakers of types B, C, and D based on the rating of the upstream fuse and the expected short-circuit current in kiloamperes (kA). This value represents the maximum short-circuit current at which selectivity is still ensured (Table 1).
Up to this threshold current, the fuse has a higher pre-arcing Ik²t value than the Miniature circuit breaker’s maximum tripping Ik²t value. This means that for short-circuit currents below the threshold, only the Miniature circuit breaker trips. For higher short-circuit currents, both protective devices are activated.
Table 1: Selectivity table of type B and C miniature circuit breakers according to the value of the backup fuse and the size of the short-circuit current in kiloamperes (kA) - this is the limit value of the short-circuit current up to which selectivity is still ensured

Using these tables, a designer who calculates the expected short-circuit current, or an inspector who measures it, can quickly determine whether selectivity will be ensured.
For example, if an NV 20 A fuse is installed upstream of a B 10 A Miniature circuit breaker, and the expected short-circuit current is 1000 A, we can check Table 1. The threshold current for selectivity is 0.45 kA (450 A). In this case, selectivity is not achieved, as both the NH fuse-link and the miniature circuit breaker would trip at a short-circuit current of 1000 A. Now, consider a short-circuit current of 400 A. In this scenario, selectivity is ensured because the threshold current is 450 A. This means that at 400 A, the NV 20 A fuse has a higher pre-arcing Ik²t value than the miniature circuit breaker’s maximum tripping Ik²t value.
Since residential houses are typically far from transformer stations, selectivity is often naturally ensured due to the lower values of short-circuit currents. However, if selectivity is not achieved, adjustments can be made, such as replacing a B 10 Miniature circuit breaker with a C 10 or upgrading the main fuses from 20 A to 25 A (if technically feasible). These changes alter the threshold current values but also involve additional costs. For instance, if the main fuses are upgraded to 25 A and the circuit breaker is replaced with a C 10, the threshold short-circuit current becomes 700 A, ensuring selectivity up to this value.
It is also important to note that the location of the short circuit within the circuit matters. If the short circuit occurs at the beginning of the circuit protected by the B 10 Miniature circuit breaker, the short-circuit current will be higher, and selectivity might not be ensured. Conversely, if the short circuit occurs at the end of the circuit, selectivity may be ensured.

